Up images » Stereo Stuff » VTA ST-120 » st120-build Prev Next Slideshow

 Previous image  Next image  Index page
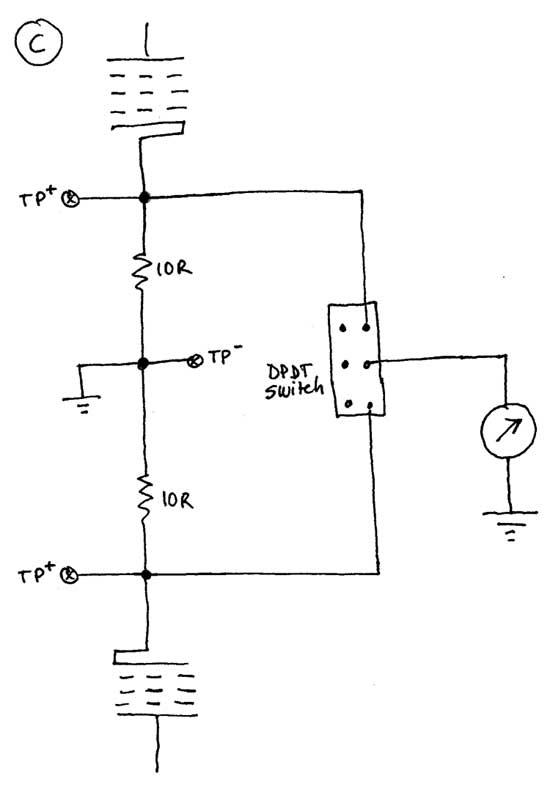
meter-schematic2
meter-vom-switch-off
meter-vom-switch-on
meter-vom-jacks
meter-mod-schematic
  meter-schematic-kward.jpg  
citation-two-meters
meter-schematic-dp3t-switch
primary-signs
ma-meter-guts
ma-meter-snip

meter-schematic-kward
Total images: 153 | Brainfartz Image Gallery Home | Help